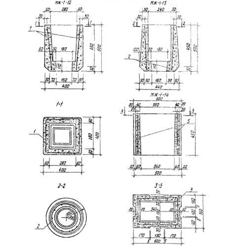
МЖ 1

Чертеж изделия:
Характеристики изделия:
ПараметрЗначение
длина400 мм
ширина400 мм
высота500 мм
вес113 кг
серияТП 310-4-1

МЖ 1 Малые железобетонные архитектурные формы по проекту ТП 310-4-1.