СБВ 9.25.2.5

Чертеж изделия:
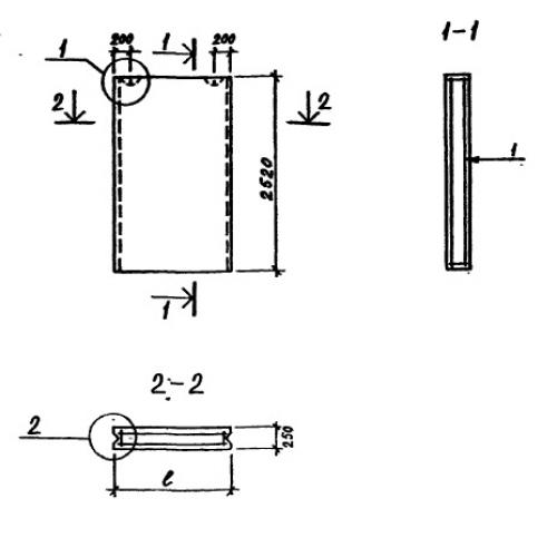
Характеристики изделия:
ПараметрЗначение
длина880 мм
ширина250 мм
высота500 кг
вес500 кг
серияТП 213-2-183

СБВ 9.25.2.5 Стеновые блоки внутренние по проекту ТП 213-2-183.