ПСП 31.9.2.5

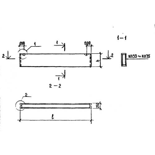
Чертеж изделия:
Характеристики изделия:
ПараметрЗначение
длина3080 мм
ширина880 мм
высота250 мм
вес540 кг
серияТП 213-2-183

ПСП 31.9.2.5 Плиты стеновые парапетные по проекту ТП 213-2-183.