ОП 9

Чертеж изделия:
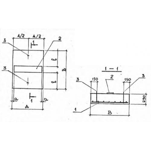
Характеристики изделия:
ПараметрЗначение
длина1300 мм
ширина1100 мм
высота305 мм
вес1100 кг
серияХТР 1-1

ОП 9 Опорные подушки по серии ХТР 1-1.