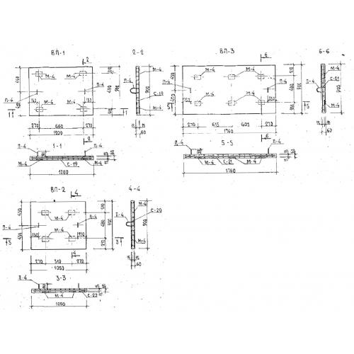
ВП-3 плиты вентшахт
Характеристики изделия:
| Параметр | Значение |
|---|---|
| длина | 1760 мм |
| ширина | 900 мм |
| высота | 60 мм |
| масса | 238 кг |
| нормативный документ | Серия Б1.134.1-7 |
Цена:
Рассчитать стоимостьВП-3 Крышные плиты системы воздухообмена по Серии Б1.134.1-7.
| Параметр | Значение |
|---|---|
| длина | 1760 мм |
| ширина | 900 мм |
| высота | 60 мм |
| масса | 238 кг |
| нормативный документ | Серия Б1.134.1-7 |
ВП-3 Крышные плиты системы воздухообмена по Серии Б1.134.1-7.
