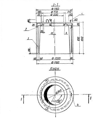
КСК 10-2

Чертеж изделия:
Характеристики изделия:
ПараметрЗначение
длина1160 мм
ширина1160 мм
высота1010 мм
вес900 кг
серия3.820-9

КСК 10-2 Кольца колодцев стеновые с крышкой по серии 3.820-9.