КФ

Чертеж изделия:
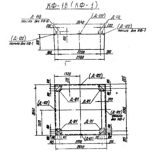
Характеристики изделия:
ПараметрЗначение
длина2640 мм
ширина2640 мм
высота800 мм
масса3880 кг
нормативный документСерия 3.407-123

КФ Фундаментные секции Серия 3.407-123.