В 1
Характеристики изделия:
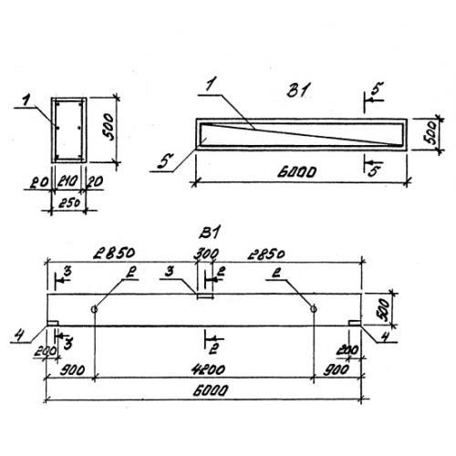
| Параметр | Значение |
|---|---|
| длина | 6000 мм |
| ширина | 250 мм |
| высота | 500 мм |
| масса | 1880 кг |
| нормативный документ | Серия 3.015-16.94 |
Цена:
Рассчитать стоимостьВ 1 Вставки Серия 3.015-16.94
| Параметр | Значение |
|---|---|
| длина | 6000 мм |
| ширина | 250 мм |
| высота | 500 мм |
| масса | 1880 кг |
| нормативный документ | Серия 3.015-16.94 |
В 1 Вставки Серия 3.015-16.94
