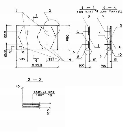
ПТ 300.90.10 плиты лотков

Чертеж изделия:
Характеристики изделия:
ПараметрЗначение
длина2990 мм
ширина880 мм
высота100 мм
масса660 кг
нормативный документСерия 3.006.1-8

ПТ 300.90.10  Плиты перекрытий каналов Серия 3.006.1-8.