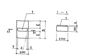
ОП 2 опорная подушка
Характеристики изделия:
| Параметр | Значение |
|---|---|
| длина | 300 мм |
| ширина | 200 мм |
| высота | 90 мм |
| масса | 13 кг |
| нормативный документ | Серия 3.006.1-8 |
Цена:
Рассчитать стоимостьОП 2 Опорные подушки под подвижные опоры трубопроводов Серия 3.006.1-8.