ЛК 75.300.120 лотки

Чертеж изделия:
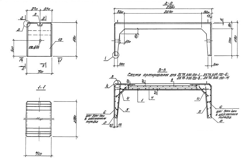
Характеристики изделия:
ПараметрЗначение
длина740 мм
ширина2980 мм
высота1180 мм
масса1330 кг
нормативный документСерия 3.006.1-8

ЛК 75.300.120  Лотки каналов Серия 3.006.1-8.