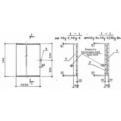
П 21 д

Чертеж изделия:
Характеристики изделия:
ПараметрЗначение
длина740 мм
ширина2460 мм
высота160 мм
масса730 кг
нормативный документСерия 3.006.1-2/82

П 21 д Плиты перекрытия лотков  доборные Серия 3.006.1-2/82.