П 27

Чертеж изделия:
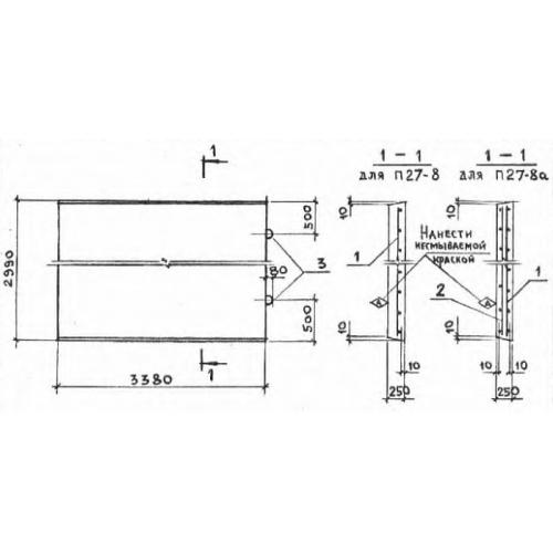
Характеристики изделия:
ПараметрЗначение
длина2990 мм
ширина3380 мм
высота250 мм
вес6320 кг
серия3.006-2

П 27 Плиты перекрытия лотков по серии 3.006-2.