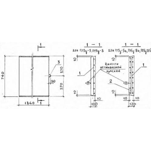
П 15д
Характеристики изделия:
| Параметр | Значение |
|---|---|
| длина | 740 мм |
| ширина | 1840 мм |
| высота | 120 мм |
| вес | 410 кг |
| серия | 3.006-2 |
Цена:
Рассчитать стоимостьП 15д Плиты перекрытия лотков доборные по серии 3.006-2.
| Параметр | Значение |
|---|---|
| длина | 740 мм |
| ширина | 1840 мм |
| высота | 120 мм |
| вес | 410 кг |
| серия | 3.006-2 |
П 15д Плиты перекрытия лотков доборные по серии 3.006-2.
