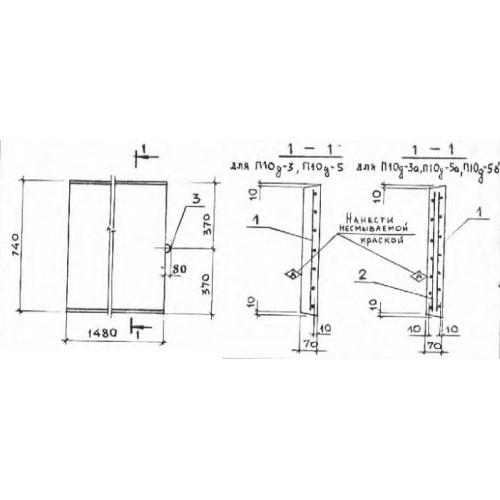
П 10д

Чертеж изделия:
Характеристики изделия:
ПараметрЗначение
длина740 мм
ширина1480 мм
высота70 мм
вес190 кг
серия3.006-2

П 10д Плиты перекрытия лотков доборные по серии 3.006-2.