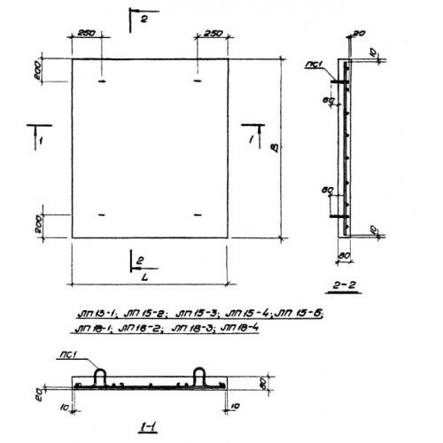
ЛП 15-6 лестничные площадки
Характеристики изделия:
| Параметр | Значение |
|---|---|
| длина | 1340 мм |
| ширина | 900 мм |
| высота | 80 мм |
| масса | 250 кг |
| нормативный документ | Серия 1.450-1 |
Цена:
Рассчитать стоимостьЛП 15-6 Площадки для междуэтажных лестничных маршей Серия 1.450-1.
