ШЛВ 9-32

Чертеж изделия:
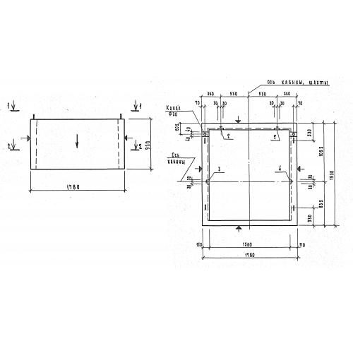
Характеристики изделия:
ПараметрЗначение
длина1780 мм
ширина1930 мм
высота930 мм
вес930 кг
серия1.189.1-8

ШЛВ 9-32 Блоки лифтовой шахты верхние по серии 1.189.1-8.