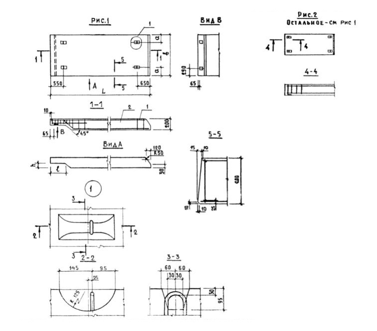
ПРТ 60.30.20
Характеристики изделия:
| Параметр | Значение |
|---|---|
| длина | 5980 мм |
| ширина | 2980 мм |
| высота | 200 мм |
| масса | 4860 кг |
| нормативный документ | Серия 1.165.1-12 |
Цена:
Рассчитать стоимостьПРТ 60.30.20 Плиты покрытия плоские для зданий с теплым чердаком Серия 1.165.1-12.