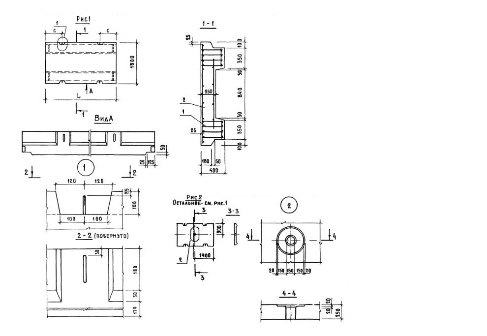
ЛРТ 36.18.40

Чертеж изделия:
Характеристики изделия:
ПараметрЗначение
длина3580 мм
ширина1800 мм
высота400 мм
масса2750 кг
нормативный документСерия 1.165.1-12

ЛРТ 36.18.40   Водосбросные лотковые плиты  Серия 1.165.1-12.