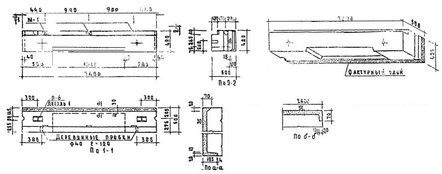
НБ-27.4.5П

Чертеж изделия:
Характеристики изделия:
ПараметрЗначение
Длина2680 мм
Ширина500 мм
Высота420 мм
Масса990 кг
Нормативный документСерия 1.133-1

Стеновые легкобетонные блоки толщиной 50 см по Серии 1.133-1.

НБ-27.4.5П  Перемычечный блок.