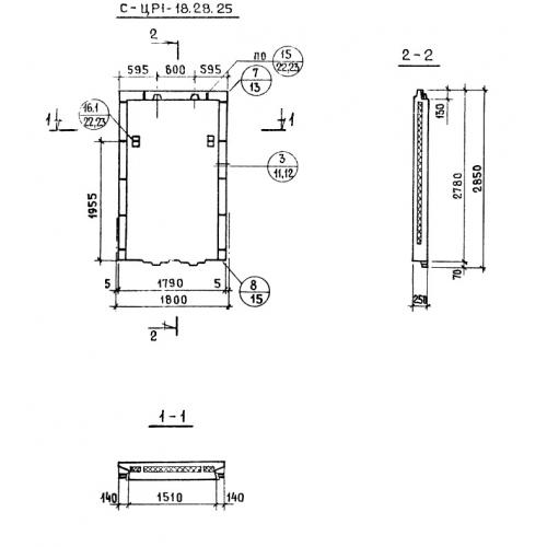
СЦР1-18.28.25
Характеристики изделия:
| Параметр | Значение |
|---|---|
| длина | 1790 мм |
| ширина | 250 мм |
| высота | 2850 мм |
| масса | 2470 кг |
| нормативный документ | Серия 1.117-12с |
Цена:
Рассчитать стоимостьПанели стеновые цокольные СЦР1-18.28.25 (Серия 1.117-12с).
Панели с толщиной внутреннего несущего слоя 120 и 160 мм.
С - для сейсмических районов.
Ц - тип конструкции- наружная цокольная стеновая панель.
Р - тип в плане здания ( Р - рядовая, Т - торцевая).
1 - группа по характеру применения.
Цифровое обозначение (записаны через точку) - габариты изделия (длина, высота, толщина) в дециметрах.
"Л" - характеризует зеркальность панели.
