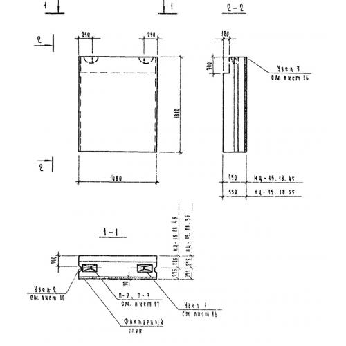
НЦ 15.18.45
Характеристики изделия:
| Параметр | Значение |
|---|---|
| длина | 1480 мм |
| ширина | 450 мм |
| высота | 1810 мм |
| вес | 2695 кг |
| серия | 1.116-5 |
Цена:
Рассчитать стоимостьНЦ 15.18.45 Наружные цокольные блоки по серии 1.116-5.
| Параметр | Значение |
|---|---|
| длина | 1480 мм |
| ширина | 450 мм |
| высота | 1810 мм |
| вес | 2695 кг |
| серия | 1.116-5 |
НЦ 15.18.45 Наружные цокольные блоки по серии 1.116-5.
