Ф 12

Чертеж изделия:
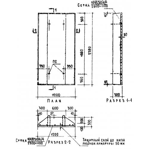
Характеристики изделия:
ПараметрЗначение
длина2380 мм
ширина1200 мм
высота300 мм
вес1760 кг
серия1.112-1

Ф 12 Плиты ленточных фундаментов по серии 1.112-1.