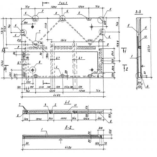
ПЛ 45.32
Характеристики изделия:
| Параметр | Значение |
|---|---|
| длина | 4480 мм |
| ширина | 3240 мм |
| высота | 160 мм |
| вес | 5230 кг |
| серия | 1.100.1-7 |
Цена:
Рассчитать стоимостьПЛ 45.32 Плиты лоджий по серии 1.100.1-7.
| Параметр | Значение |
|---|---|
| длина | 4480 мм |
| ширина | 3240 мм |
| высота | 160 мм |
| вес | 5230 кг |
| серия | 1.100.1-7 |
ПЛ 45.32 Плиты лоджий по серии 1.100.1-7.
.jpg)