ПВ 24.30-1Т-ПВ

Чертеж изделия:
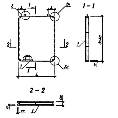
Характеристики изделия:
ПараметрЗначение
длина2300 мм
ширина160 мм
высота3040 мм
масса2700 кг
нормативный документСерия 1.090.1-3пв

Панели внутренних стен  для зданий с высотой этажа 3,3 м (Серия 1.090.1-3пв).

ПВ 24.30-1Т-ПВ   Панели внутренние без проемов (глухие).

 Марка содержит обозначение основных характеристик панели и состоит из буквенно-цифровых групп.

Цифра первой группы обозначает зеркальность конструкции.

Группа букв означает название стеновой панели.

Группа цифр (записаны через точку) обозначает габариты панели (длина, высота)  и ширину проема в дециметрах.

Вторая группа цифр обозначает прочностную характеристику:

1Т - бетон тяжелый М150;

3Т - бетон тяжелый М250;

1ТВ бетон тяжелый М250, панель с вентиляционным отверстием.

ПВ - изделие предназначено для строительства зданий на просадочных грунтах и на подрабатываемых территориях.