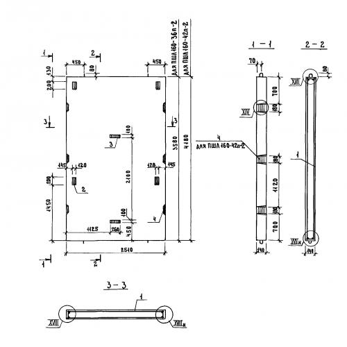
ПШЛ 160-36 панель шахты лифта основная
Характеристики изделия:
| Параметр | Значение |
|---|---|
| длина | 2510 мм |
| ширина | 140 мм |
| высота | 3580 мм |
| масса | 3150 кг |
| нормативный документ | Серия 1.089.1-1 |
Цена:
Рассчитать стоимостьПШЛ 160-36 Панели шахт лифтов Серия 1.089.1-1.
| Параметр | Значение |
|---|---|
| длина | 2510 мм |
| ширина | 140 мм |
| высота | 3580 мм |
| масса | 3150 кг |
| нормативный документ | Серия 1.089.1-1 |
ПШЛ 160-36 Панели шахт лифтов Серия 1.089.1-1.
