ПСЦ 46.360.25

Чертеж изделия:
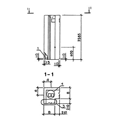
Характеристики изделия:
ПараметрЗначение
длина460 мм
ширина3585 мм
высота460 мм
масса820 кг
нормативный документСерия 1.020.1-3пв

ПСЦ 46.360.25  Панели стеновые цокольные Серия 1.020.1-3пв.