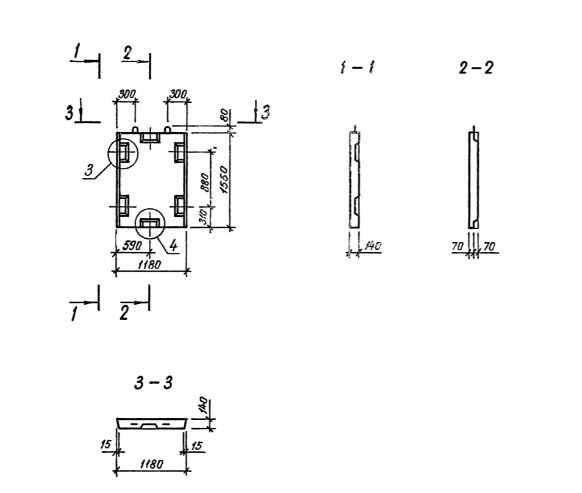
Д 12.16

Чертеж изделия:
Характеристики изделия:
ПараметрЗначение
длина1180 мм
ширина140 мм
высота1550 мм
масса640 кг
нормативный документСерия 1.020.1-3пв

Д 12.16  Диафрагмы жесткости  Серия 1.020.1-3пв.