2КНО 4.42

Чертеж изделия:
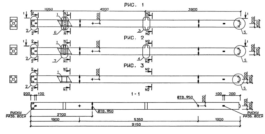
Характеристики изделия:
ПараметрЗначение
длина9150 мм
ширина400 мм
высота550 мм
масса4510 кг
нормативный документСерия 1.020.1-3пв

2КНО 4.42  Колонны нижние одноконсольные Серия 1.020.1-3пв.