1КН 4.28

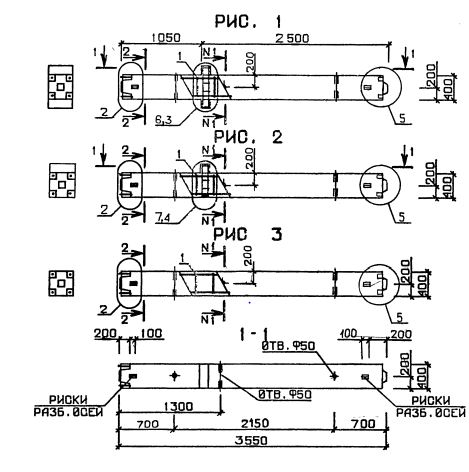
Чертеж изделия:
Характеристики изделия:
ПараметрЗначение
длина3550 мм
ширина400 мм
высота400 мм
масса1560 кг
нормативный документСерия 1.020.1-3пв

1КН 4.28  Колонны нижние Серия 1.020.1-3пв.