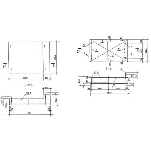
УФП 1 упорная фундаментная плита

Чертеж изделия:
Характеристики изделия:
ПараметрЗначение
длина1900 мм
ширина1500 мм
высота500 мм
масса2400 кг
нормативный документСерия 1.020-1/87

УФП 1  Упорные фундаментные плиты  Серия 1.020-1/87.