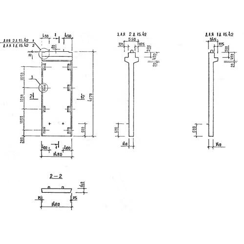
1Д 15.42 диафрагмы жесткости

Чертеж изделия:
Характеристики изделия:
ПараметрЗначение
длина1480 мм
ширина345 мм
высота4170 мм
масса2400 кг
нормативный документСерия 1.020-1/87

1Д 15.42   Диафрагмы жесткости с одной полкой Серия 1.020-1/87.