ПТН 24-10
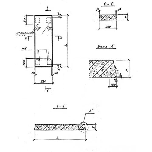
Характеристики изделия:
| Параметр | Значение |
|---|---|
| длина | 2700 мм |
| ширина | 980 мм |
| высота | 200 мм |
| масса | 1975 кг |
| нормативный документ | Серия 0.55.18.236 |
Цена:
Рассчитать стоимостьПТН 24-10 Плиты перекрытия тоннелей Серия 0.55.18.236.
| Параметр | Значение |
|---|---|
| длина | 2700 мм |
| ширина | 980 мм |
| высота | 200 мм |
| масса | 1975 кг |
| нормативный документ | Серия 0.55.18.236 |
ПТН 24-10 Плиты перекрытия тоннелей Серия 0.55.18.236.
