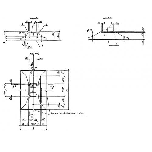
Ф3
Характеристики изделия:
| Параметр | Значение |
|---|---|
| длина | 3000 мм |
| ширина | 4500 мм |
| высота | 900 мм |
| вес | 13930 кг |
| серия | 0-221-84 |
Цена:
Рассчитать стоимостьФ3 Плита фундаментная по серии 0-221-84.
| Параметр | Значение |
|---|---|
| длина | 3000 мм |
| ширина | 4500 мм |
| высота | 900 мм |
| вес | 13930 кг |
| серия | 0-221-84 |
Ф3 Плита фундаментная по серии 0-221-84.
